非标铝型材、模组铝型材、滑台铝型材、模组铝型材配件
我司有一系列线性模组的铝模。配套有盖。可满足大家需要模组,但又不想开模的厂家使用。欢迎来电咨询。
提供技术支持,可按客户需求订做设备
24小时技术客户服务热线:13530352169/0755-27466183
邮箱:sonsang@foxmail.com / 2850685930@qq.com(可直接加QQ联系)
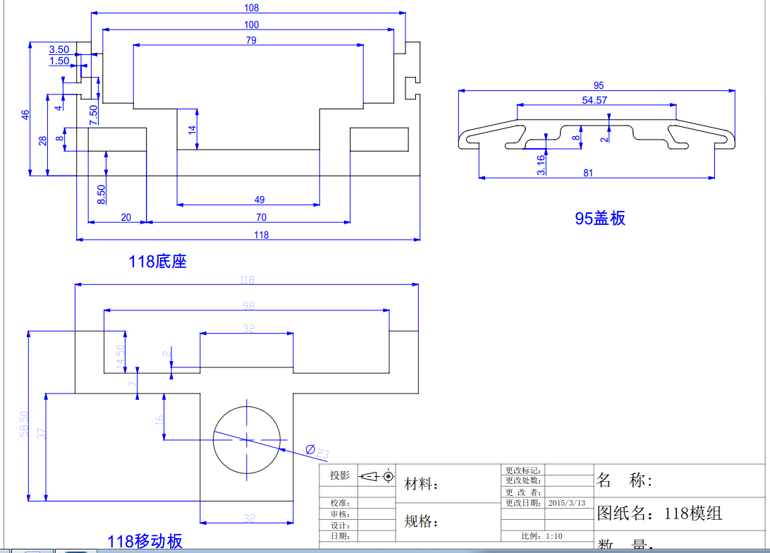
公司现有一批成型的模具,可以提供各种线性模组铝型材有85、118、135,140mm,160,180,200mm,270mm宽度线性模组,线性滑台,单轴机械手铝合金型材带防护盖板,点胶机机架铝型材、焊锡机工作台铝型材、三轴运动平台铝型材;还有一部分非标零配件。表面电泳美观,双条直线导轨高负载设计,外部内部都有标注T型槽,方便安装限位开关,端面有孔可直接攻丝安装两端盖板
线性模组铝型材,可制作点胶机、焊锡机、线性模、机械手、电动滑台,移载、定位,自动化工作站,半导体设备、TFT-LCD液晶面板设备,太阳能设备,LED线上设备,机械内部XYZ轴工作平台、锁螺丝、视觉检测、量测设备等。型材表面磨砂阳极氧化处理,可根据客户需要进行发黑、电泳、喷涂处理。
可装配上银、THK、力士乐15或者20系列的直线导轨;可装配市面主流的直径16与20、25、32的滚珠丝杆,我司有齐全的附件,如支持侧、固定侧、丝杆螺母座、电机座、端面板、铝型材盖。通过简单开孔攻丝作业,可非常方便的组装成高精度的线性模组,我司提供详细的装配示意图以及技术指导。
对于需要专属款式型材的客户,我们可提供模具定制,特供服务。我司可为客户定制专属模具和配套零部件加工,装配、调试,交付成品模组可方便的组合成同步地驱动模组。精密导轨配合铝合金结构梁,特殊设计的皮带倍速机构,缩短上下手臂的高度,大大增加机械手的运作速度及稳定性。
治具回路:预留两组吸两组抱及相应信号检测,满足产品多样性的取出。 控制方法:采用多轴全伺服控制,可实现埋入、堆叠、循环置物、辅助加工等多种功能。 回斜式双臂双截机械手 1.机械手臂采用高强度铝型材,配合精密线型滑轨,重量轻,钢性好,磨擦低,寿命长 2.经久耐用 3.机械采用模内快速,模外慢速,不影响成型周期,性能更稳定,动作更安全。
提供技术支持,可按客户需求订做设备
24小时技术客户服务热线:13530352169/0755-27466183
邮箱:sonsang@foxmail.com / 2850685930@qq.com(可直接加QQ联系)
http://quanlidejixie.1688.com/(数控三轴平台厂家,可提供设备订做方案)
 
 

|